Marshall JCM800 Schematics
Having been finally freed from the 15 year exclusive Rose Morris distribution contract, Marshall launched the new JCM800 serie early in 1981. The JCM800 Split Channel amps were introduced a year later in 1982. The whole JCM800 serie was discontinued in 1989 just prior to the introduction of the JCM900 amps.
The JCM800 range is split into the Lead amps (this section) the Bass amps and the solid state amps. The PA and Organ amps and cabinets were dropped by this time. Marshall now focused almost exclusively on the guitar and bass amps.
The (Super) Leads (1959 & 1987) were issued as heads only, while the Master Volumes (2203 & 2204) and the new Split Channels (2205 & 2210) were also issued as combos (4103, 4104, 4210, 4211 & 4212).
The JCM800 amps had a larger logo than before, and the heads also featured grille cloth on the upper two thirds of the front instead of being completely covered with the usual black vinyl.
In 1982, the 20th anniversary of Marshall Amps, some of the JCM800 amps were issued in neat white vinyl.
Under the JCM800 “regime”, the model numbering was changed. The heads retained their original model numbers, but the combos were given model numbers in the 4000 range. The solid state and hybrid heads were given model numbers in the 3000 range and the solid state combos were given model numbers in the 5000 range. In some older schematics the 4103 & 4104 combos are still referenced to as models 2103 & 2104. The solid state amps didn’t have JCM800 printed on their panels but they are still considered part of the JCM800 family.
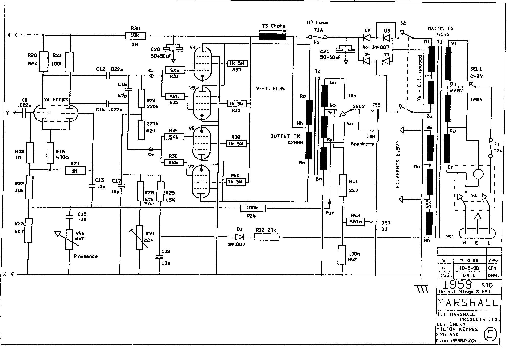
JCM800 1959 Super Lead, 100W head
User manual for the Master Volume and the Lead models: 1959, 1987, 2203, 2204, 4001, 4010, 4103, 4104, 5002, 5005 & 5010 (483kB).
Schematic of the JCM800 pre amps with 3x ECC83 for models: 1959, 1987, 2203, 2204, 2103 & 2104, (Marshall, 1981).
Schematic of the JCM800 power amps and PSU with 2x EL34 (50W) or 4x EL34 (100W) for models: 1959, 1987, 2203, 2204, 2103 & 2104, (Marshall, 1981).
Schematic of the pre amp with 2x ECC83, (Marshall, 1988).
Schematic of the power amp and PSU with 1x ECC83 & 4x EL34, (Marshall, 1988).
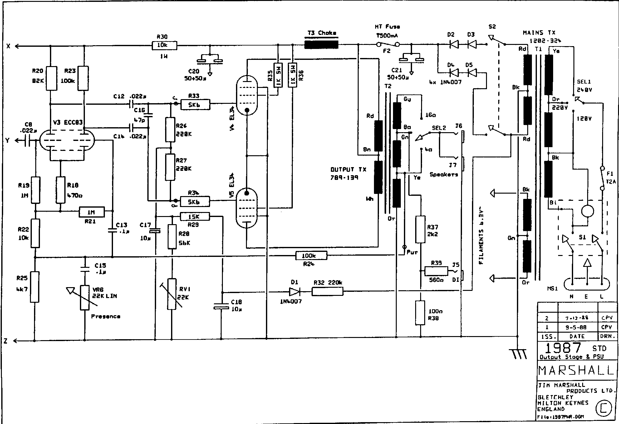
JCM800 1987 Lead, 50W head
User manual for the Master Volume and the Lead models: 1959, 1987, 2203, 2204, 4001, 4010, 4103, 4104, 5002, 5005 & 5010 (483kB).
Schematic of the JCM800 pre amps with 3x ECC83 for models: 1959, 1987, 2203, 2204, 2103 & 2104, (Marshall, 1981).
Schematic of the JCM800 power amps and PSU with 2x EL34 (50W) or 4x EL34 (100W) for models: 1959, 1987, 2203, 2204, 2103 & 2104, (Marshall, 1981).
Schematic of the pre amp with 2x ECC83, (Marshall, 1988).
Schematic of the power amp and PSU with 1x ECC83 & 2x EL34, (Marshall, 1988).
JCM800 2203 Master Volume Lead, 100W head
User manual for the Master Volume and the Lead models: 1959, 1987, 2203, 2204, 4001, 4010, 4103, 4104, 5002, 5005 & 5010.
Spec sheet (Marshall, 1981).
Schematic of the JCM800 pre amps with 3x ECC83 for models: 1959, 1987, 2203, 2204, 2103 & 2104, (Marshall, 1981).
Schematic of the JCM800 power amps and PSU with 2x EL34 (50W) or 4x EL34 (100W) for models: 1959, 1987, 2203, 2204, 2103 & 2104, (Marshall, 1981).
Schematic of the pre amp with 2x ECC83, (Marshall, 1988).
Schematic of the power amp and PSU with 1x ECC83 & 4x EL34, (Marshall, 1988).
JCM800 2204 Master Volume Lead, 50W head
User manual for the Master Volume and the Lead models: 1959, 1987, 2203, 2204, 4001, 4010, 4103, 4104, 5002, 5005 & 5010.
Spec sheet (Marshall, 1981).
Schematic of the JCM800 pre amps with 3x ECC83 for models: 1959, 1987, 2203, 2204, 2103 & 2104, (Marshall, 1981).
Schematic of the JCM800 power amps and PSU with 2x EL34 (50W) or 4x EL34 (100W) for models: 1959, 1987, 2203, 2204, 2103 & 2104, (Marshall, 1981).
Schematic of the pre amp with 2x ECC83, (Marshall, 1988).
Schematic of the power amp and PSU with 1x ECC83 & 2x EL34, (Marshall, 1988).
Photograph of a red JCM800 2204 from 1984.
See Mark Huss’s Marshall JCM800 2204 page for more information and some pictures on this amp.
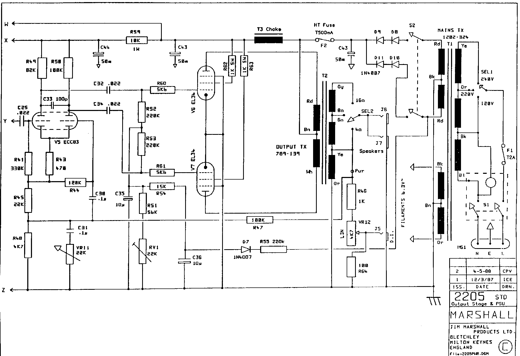
JCM800 2205 Split Channel Reverb, 50W head
User manual for Split Channel models: 2205, 2210, 3203, 3210, 4203, 4210, 4211, 4212, 5210, 5212, 5213, 5215 & 5275.
Schematic of the complete amp with 5x ECC83 & 2x EL34/6550, Issue 5 (Marshall, 1983).
Schematic of the pre amp with 4x ECC83 (Marshall, 1988).
Schematic of the power amp and PSU with 1x ECC83 & 2x EL34 (Marshall, 1988).
Datasheet of the CA3046 transistor array, (Intersil, 1998).
JCM800 2210 Split Channel Reverb, 100W head
User manual for Split Channel models: 2205, 2210, 3203, 3210, 4203, 4210, 4211, 4212, 5210, 5212, 5213, 5215 & 5275.
Schematic of the pre amp with 4x ECC83 (Marshall, 1988).
Schematic of the power amp and PSU with 1x ECC83 & 4x EL34, (Marshall, 1988).
Datasheet of the CA3046 transistor array, (Intersil, 1998).
4001 Studio 15, 15W 1×12″ combo
The Studio 15 was a bit of a Marshall oddball. It was in production from 1985 up to 1992. This was the first Marshall amp ever to use 6V6 output tubes. It was the first Marshall to be fitted with a 12″ Celestion G12 Vintage speaker. It is said that no more than 500 of these amps were built.
User manual for the Master Volume and the Lead models: 1959, 1987, 2203, 2204, 4001, 4010, 4103, 4104, 5002, 5005 & 5010.
Schematic of complete amp with 2x ECC83 & 2x 6V6, (Marshall, 1986).
Schematic of complete amp with 2x ECC83 & 2x 6V6, (Marshall, 1988).
Photograph of a 4001 Studio 15 (courtesy of Mike Carlyle).
JCM800 4010, 50W 1×12″ combo
This amp is an early combo version of the 2204 head. It is electrically identical to the 4104. It was fitted with a 12″ Rola Celestion G12-65 T3054 15Ω speaker.
User manual for the Master Volume and the Lead models: 1959, 1987, 2203, 2204, 4001, 4010, 4103, 4104, 5002, 5005 & 5010.
Schematic of the pre amp with 2x ECC83, (Marshall, 1988).
Schematic of the power amp and PSU with 1x ECC83 & 2x EL34, (Marshall, 1989).
Photograph of a JCM800 4010.
JCM800 4103, 100W 2×12″ combo
This amp is a 2×12″ combo version of the 2203 head.
User manual for the Master Volume and the Lead models: 1959, 1987, 2203, 2204, 4001, 4010, 4103, 4104, 5002, 5005 & 5010.
Schematic of the JCM800 pre amps with 3x ECC83 for models: 1959, 1987, 2203, 2204, 2103 & 2104, (Marshall, 1981).
Schematic of the JCM800 power amps and PSU with 2x EL34 (50W) or 4x EL34 (100W) for models: 1959, 1987, 2203, 2204, 2103 & 2104, (Marshall, 1981).
JCM800 4104, 50W 2×12″ combo
This amp is a 2×12″ combo version of the 2204 head. Early models (1981 – 1983) were fitted with two 12″ Rola Celestion G12-65 T3054 or T3101 15Ω speakers but later models (1984+) were fitted with two 12″ Celestion G12M-70 15Ω speakers.
User manual for the Master Volume and the Lead models: 1959, 1987, 2203, 2204, 4001, 4010, 4103, 4104, 5002, 5005 & 5010.
Schematic of the JCM800 pre amps with 3x ECC83 for models: 1959, 1987, 2203, 2204, 2103 & 2104, (Marshall, 1981).
Schematic of the JCM800 power amps and PSU with 2x EL34 (50W) or 4x EL34 (100W) for models: 1959, 1987, 2203, 2204, 2103 & 2104, (Marshall, 1981).
JCM800 4140 Club and Country, 100W 2×12″ combo
These amps were introduced in april 1978 and were discontinued in 1982. They were seamlessly integrated into the JCM800 program in 1981, be it only for shortly. This combo was fitted with two 12″ 16Ω speakers.
Schematic of the 4140 & 4145 amps with 5x ECC83 & 4x 6550, (Marshall, 1981).
JCM800 4145 Club and Country, 100W 4×10″ combo
These amps were introduced in april 1978 and were discontinued in 1982. They were seamlessly integrated into the JCM800 program in 1981, be it only for shortly. This combo was fitted with four 10″ 8Ω speakers.
Schematic of the 4140 & 4145 amps with 5x ECC83 & 4x 6550, (Marshall, 1981).
JCM800 4150 Club and Country Bass, 100W 4×10″ combo
These amps were introduced in april 1978 and were discontinued in 1982. They were seamlessly integrated into the JCM800 program in 1981, be it only for shortly.
JCM800 4210 Split Channel Reverb, 50W 1×12″ combo
This amp is the 1×12″ combo version of the 2205 head. Early 4210 amps were fitted with a 12″ Celestion G12-80 T3103 15Ω speaker. Later models were fitted with a 12″ Celestion G12M-70 T3577 16Ω speaker.
User manual for the 4210. Thanx to John Walker.
User manual for the Split Channel models: 2205, 2210, 3203, 3210, 4203, 4210, 4211, 4212, 5210, 5212, 5213, 5215 & 5275.
Spec sheet for the 4210, (Marshall).
Schematic of the complete amp with 5x ECC83 & 2x EL34/6550 Issue 5, (Marshall, 1983).
Photograph of a JCM800 4210 combo on the 1933 extension cabinet. Thanx to Jelle Falk.
JCM800 4211 Split Channel Reverb, 100W 2×12″ combo
This amp is a combo version of the 2210 head. I’ve seen these amps fitted with two 12″ Celestion G12T-75 speakers.
User manual for the Split Channel models: 2205, 2210, 3203, 3210, 4203, 4210, 4211, 4212, 5210, 5212, 5213, 5215 & 5275.
JCM800 4212 Split Channel Reverb, 50W 2×12″ combo
This amp is the 2×12″ combo version of the 2205 head. It was fitted with two 12″ Celestion G12T-75 T3760 16Ω speakers.
User manual for the Split Channel models: 2205, 2210, 3203, 3210, 4203, 4210, 4211, 4212, 5210, 5212, 5213, 5215 & 5275.
JCM800 1922, Lead 2×12″ 150W 8Ω extension cabinet
This extension cabinet was fitted with two 12″ Celestion G12T-75 16Ω speakers.
JCM800 1933, Lead 1×12″ 65W 16Ω extension cabinet
This extension cabinet was introduced in 1984. It was originally fitted with a 12″ Celestion G12-65 15Ω speaker. From 1986 on it was fitted with a 12″ Celestion G12M-70 T3577 15Ω speaker. It was discontinued in 1989.
Photograph of a JCM800 1933 cabinet.
JCM800 1936, Lead 2×12″ 150W 8Ω extension cabinet
This extension cabinet was fitted with two 12″ Celestion G12T-75 16Ω speakers.
JCM800 1960A, Lead 4×12″ 300W 16Ω angled front cabinet.
These cabinets were fitted with four 12″ Celestion G12T-75 16Ω speakers.
JCM800 1960B, Lead 4×12″ 300W 16Ω straight front cabinet.
These cabinets were fitted with four 12″ Celestion G12T-75 16Ω speakers.
JCM800 1960AV, Lead 4×12″ 280W 16Ω angled front cabinet.
These cabinets were introduced in 1987. They were fitted with four 12″ Celestion Vintage 30 16Ω speakers.
JCM800 1960BV, Lead 4×12″ 280W 16Ω straight front cabinet.
These cabinets were introduced in 1987. They were fitted with four 12″ Celestion Vintage 30 16Ω speakers.
JCM800 1965A, Lead 4×10″ 140W 8Ω angled front cabinet.
These cabinets were in production from 1984 up to 1991. They were fitted with four 10″ Celestion G10L-35 8Ω speakers. These cabinets were intended for the 3210 transistor head. These cabinets had smaller dimensions than the usual 4×12 cabinets, and they were part of the “Mini-Stack” range.
JCM800 1965B, Lead 4×10″ 140W 8Ω straight front cabinet.
These cabinets were in production from 1984 up to 1991. They were fitted with four 10″ Celestion G10L-35 8Ω speakers. These cabinets were intended for the 3210 transistor head. These cabinets had smaller dimensions than the usual 4×12 cabinets, and they were part of the “Mini-Stack” range.
JCM800 1982A, Lead 4×12″ 320W/400W 16Ω angled front cabinet.
These “high power” cabinets were in production from 1981 upto 1987. They were first fitted with four 12″ Celestion G12-80 T3103 15Ω speakers and from 1982 onwards they were fitted with four 12″ Celestion G12H-100 T3595 16Ω speakers.
JCM800 1982B, Lead 4×12″ 320W/400W 16Ω straight front cabinet.
These “high power” cabinets were in production from 1981 upto 1987. They were first fitted with four 12″ Celestion G12-80 T3103 15Ω speakers and from 1982 onwards they were fitted with four 12″ Celestion G12H-100 T3595 16Ω speakers.


