Vox Schematics
AC10
Schematic of the AC10 amp, OS/008 issue 3 (Jennings, 1964)
Schematic of the AC10 amp, V-1-3
AC15
Schematic of the AC15 No.2 amp, OS/005 (Jennings, 1959)
Schematic of the AC15 No.3 amp, OA/031 (Jennings, 1960)
Schematic of the AC15 amp, V-1-5 (Vox)
Schematic of the AC15 1990s re-issue pre amp, AC15-60-02 Iss 1 (Vox, 1996)
Schematic of the AC15 1990s re-issue power amp, AC15-62-02 Iss 1 (Vox, 1996)
AC30
Schematic of the AC30/36 Normal amp, OS/065 (Jennings, 1960)
Schematic of the AC30/36 Top Boost mod, OS/010 (Jennings, 1961)
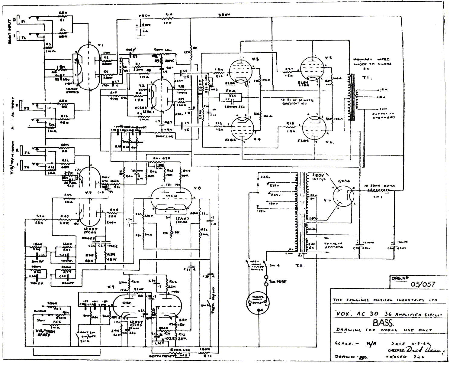
Schematic of the AC30/36 Bass amp, OS/057 (Jennings, 1964)
Schematic of the AC30 Reverb amp, (L.G.P., 1978)
Schematic of the AC30/TB 1990s re-issue amp, AC30-60-02 Iss 5 (Vox, 1994)
AC50
Schematic of the AC50/4 MkIII amp, OS/072 (Jennings, 1965)
Schematic of the AC50 amp, (Vox Sound Ltd, 1976)
Schematic of the AC50 amp, (Joe Piazza)
AC100
Schematic of the AC100/2 amp, OS/036 (Jennings, 1965)
Schematic of the AC100 amp, (Joe Piazza)
Check out the Vox Showroom for more (historic) inforĀmation on the Vox amps.
Check out Vox AC30 Topboost – Reasons & Origins for some very interesting reading on the early AC30 circuits.
If you want to know what Vox is up to nowadays, check out the Vox Amps site.


