Marshall IBS Schematics
The Integrated Bass System (IBS) range was launched in 1985 as the successor range of the JCM800 Bass line. Allthough these bass amps are solid state amps, they are still part of the Marshall amps story. Most of the 1987 models were produced in the characteristic Silver Jubilee silver/gray colors.
IBS 3505, 30W Bass micro stack
This combination was in production from 1987 upto 1991. The 2 micro stack cabinets were each fitted with one 10″ speaker.
IBS 3510, 100W Bass head
This bass head was in production from 1985 upto 1993. It was in fact 19″ rack mountable, but came in a wooden 19″ cabinet. This was the head version of the 5510 combo.
User manual for the IBS amps.
Schematic of the 3510 preamp, Issue 4 (Marshall, 1988).
Schematic of the 3510 power amp & PSU, Issue 3 (Marshall, 1988).
IBS 3520, 200W Bass head
This bass head was in production from 1984 upto 1993. It was in fact 19″ rack mountable, but came in a wooden 19″ cabinet. This was the head version of the 5522 combo.
User manual for the IBS amps.
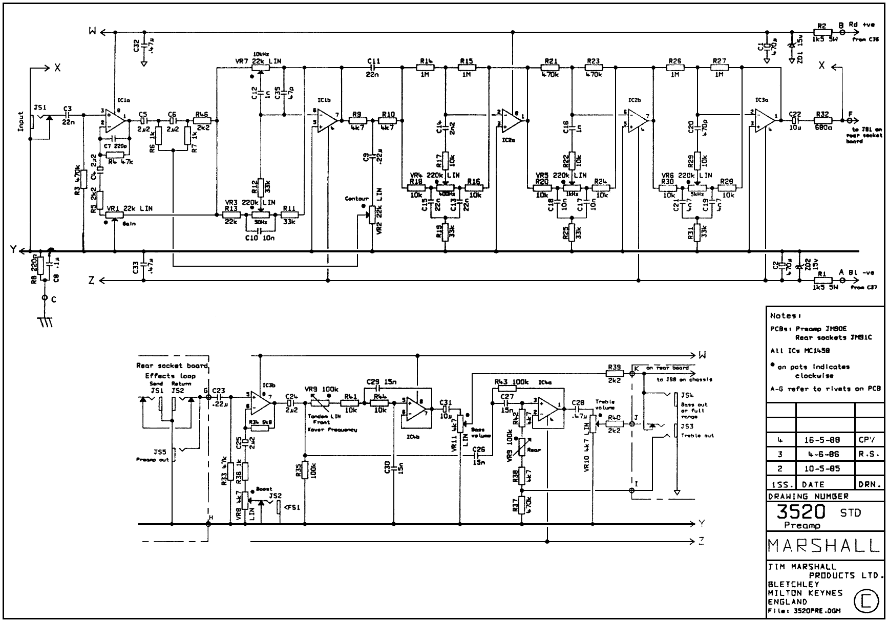
Schematic of the 3520 preamp, Issue 4 (Marshall, 1988).
Schematic of the 3520 power amp & PSU, Issue 3 (Marshall, 1988).
IBS 3530, 300W Bass head
This bass head was in production from 1987 upto 1993. In 1987 (the Silver Jubilee year) this amp was covered in silver vinyl. In the years after 1987 this amp was covered in the normal black vinyl. This is the single 300W version of the 3560 head.
User manual for the IBS 3530 & IBS 3560 amps.
Schematic of the 3530 preamp, Issue 3 (Marshall, 1988).
Schematic of the 3530 PSU, Issue 1 (Marshall, 1988).
IBS 3540, 2x 200W Bass head
This bass head was in production from 1985 upto 1993. It was in fact 19″ rack mountable, but came in a wooden 19″ cabinet.
User manual for the IBS amps.
Schematic of the 3540 preamp schematic, Issue 4 (Marshall, 1988).
Schematic of the 3540 power amp, (Marshall).
IBS 3560, 2x 300W Bass head
This bass head was in production from 1987 upto 1993. In 1987 (the Silver Jubilee year) this amp was covered in silver vinyl. In the years after 1987 this amp was covered in the normal black vinyl. This is the 2x 300W version of the 3530 300W head.
User manual for the IBS 3530 & IBS 3560 amps.
Schematic of the 3560 cross-over, Issue 2 (Marshall, 1988).
Schematic of the 3560 power amp, Issue 2 (Marshall, 1988).
Schematic of the 3560 PSU, Issue 2 (Marshall, 1988).
IBS 5510, 100W 1×15″ bass combo
This bass combo was in production from 1985 upto 1988. This was the combo version of the 3510 head. It was fitted with a 15″ Celestion G15-100 8Ω 100W speaker.
User manual for the IBS amps.
Photograph of an IBS 5510 bass combo. Thanx to Jelle Falk.
IBS 5518, 100W 2×8″ active box
This active mid range box was in production from 1986 upto 1988. It was the active version of the 1518 cabinet. It was fitted with two 8″ Celestion G8-50 speakers.
IBS 5522, 200W 1×15″ bass combo
This bass combo was inproduction from 1984 upto 1988. It was the combo version of the 3520 head. It was fitted with a 15″ Celestion S15-250 T4021 8Ω 250W SideWinder speaker. I’ve also seen these amps fitted with a 15″ Celestion S15-250 T3839 8Ω 250W SideWinder speaker.
User manual for the IBS amps.
Photograph of an IBS 5522 bass combo. Thanx to Jelle Falk.
IBS 6010, 100W Bass slave amp
This bass slave amp was in production from 1985 upto 1988. This amp was 19″ rack mountable.
User manual for the IBS amps.
Schematic of the 6010/3540 power amp, (Marshall).
IBS 6020, 200W Bass slave amp
This bass slave amp was in production from 1985 upto 1992. This amp was 19″ rack mountable.
User manual for the IBS amps.
Schematic of the 6020/3540 power amp, (Marshall).
IBS 6040, 2x 200W stereo Bass slave amp
This bass slave amp was in production from 1985 upto 1992. This amp was 19″ rack mountable. It is the power stage of the 3540 amp without the preamp.
User manual for the IBS amps.
Schematic of the 6040/3540 power amp, (Marshall).
IBS 1510, 200W 4×10″ 8Ω cabinet
This cabinet was in production from 1984 upto 1993. It was fitted with four 10″ Celestion 8Ω 50W speakers.
User manual for the IBS amps.
IBS 1518, 100W 2×8″ cabinet
This mid range cabinet was introduced in 1986 and discontinued in 1993. It was the passive version of the 5518 active box. It was fitted with two 8″ Celestion G8-50 speakers. It was meant to be combined with the 1555 cabinet.
IBS 1520, 600W 4×12″ 8Ω cabinet
This cabinet was in production from 1984 upto 1993. It was fitted with four 12″ Celestion S12-150 8Ω 150W Sidewinder speakers.
User manual for the IBS amps.
IBS 1550, 250W 1×15″ 8Ω cabinet
This cabinet was in production from 1984 upto 1993. It was fitted with a 15″ Celestion S15-250 T4021 8Ω 250W SideWinder speaker.
User manual for the IBS amps.
IBS 1551, 200W 2×15″ 8Ω cabinet
This cabinet was in production from 1984 upto 1993. It was fitted with two 15″ Celestion G15-100 16Ω 100W speakers.
User manual for the IBS amps.
IBS 1552, 500W 2×15″ 8Ω cabinet
This cabinet was in production from 1984 upto 1993. It was fitted with two 15″ Celestion S15-250 16Ω 250W SideWinder speakers.
User manual for the IBS amps.
IBS 1553, 300W 1×15″ & 2×10″ cabinet
This cabinet was in production from 1984 upto 1993. It could be biamped. It was fitted with a 15″ Celestion S15-250 T4021 8Ω 250W SideWinder and two Celestion 10″ 50W speakers.
User manual for the IBS amps.
IBS 1555, 250W 1×15″ cabinet
This folded horn cabinet was in production from 1986 upto 1993.
IBS 1580, 400W 1×18″ 8Ω cabinet
This cabinet was fitted with a 18″ Celestion 8Ω 400W speaker.
User manual for the IBS amps.
IBS 3002, Empty 19″ 2U sleeve
In this 19″ holder cabinet the 2 rack space 3510, 3520, 6010, 6020 & 6040 amps could be fitted.
User manual for the IBS amps.
IBS 3003, Empty 19″ 3U sleeve
In this 19″ holder cabinet the 3 rack space 3540 amp could be fitted.
User manual for the IBS amps.


