Marshall JMP Schematics
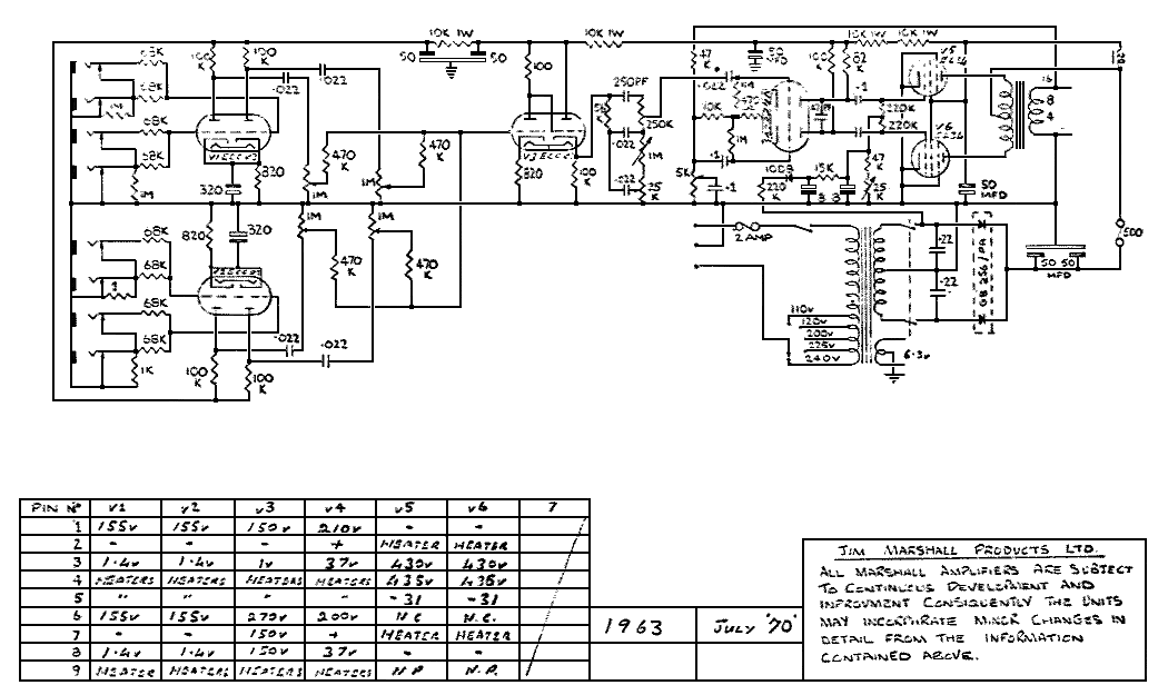
In 1967 the JMP (Jim Marshall Products) panels were introduced. In July 1969 Marshall dropped the Plexi face plates and switched to the gold colored brushed aluminium metal face plates as we know them still today.
In 1975 the Master Volumes, 2203 & 2204, were introduced.
The US distributor at that time (Unicord Inc.) decided to switch to 6550 output tubes in favor of the EL34. Too many Marshalls were coming back under warranty with defective output tubes. Apparently the EL34s didn’t like to be knocked about while being shipped from Europe to the US of A. Instead of fitting new EL34s, Unicord decided to fit 6550s, thinking that these “heavier” tubes would last beyond the warranty period. This in itself was true, but many American guitar players were wondering why their Marshall amps sounded so different from their European brothers. Some people actually like the bright sound of the 6550s in their Marshall amps but most guitar players prefer the original sound of the EL34s.
JMP 1930 Popular, 10W 1×12″ combo
This amp was in production only shortly from 1972 up to 1973. It looks just like a 20W Marshall amp. It’s a 4 input, 2 channel amp featuring a tremolo.
schematic with 1x ECC83 & 2x ECL86.
JMP Lead Series Standard and Master Volume, 50W/100W
The following three schematics are generic schematics for the 1987 Lead & 1959 Super Lead heads, the 1986 Bass & 1992 Super Bass heads, the 2203 & 2204 Master Volume heads and the 2103 & 2104 Master Volume combos.
Schematics of the standard pre amp circuits with 2x ECC83, (Marshall, 1978).
Schematics of the standard 50W power amp and PSU circuit with 1x ECC83 & 2x EL34/6550, (Marshall, 1978).
Schematics of the standard 100W power amp and PSU circuit with 1x ECC83 & 4x EL34/6550, (Marshall, 1978).
JMP 1959 Super Lead, 100W head
This amp was in production from 1967 up to 1981.
Early 100W schematic (with errors) with 4x ECC83 & 4x KT66, (Marshall, 1967).
Schematic with 3x ECC83 & 4x EL34, 70-6-11 (Unicord, 1970).
Mk2 amp schematic with 3x ECC83 & 4x 6550, 70-6-11 (Unicord, 1970).
Photograph of a beautiful red JMP 1959 from 1973.
JMP 1959T Tremolo Lead, 100W head
This amp was in production from 1967 up to 1973. It was the tremolo version of the 1959.
Schematic with 4x ECC83 & 4x EL34, 70-11-11 (Unicord, 1970).
JMP 1961 Lead, 50W 4×10″ combo
This amp was in production from 1967 up to 1972. It used the 1987T tremolo chassis in a 4×10″ combo cabinet.
See Jacques Marshall Bluesbreaker page for some nice pictures.
JMP 1962 Bass & Lead, 50W 2×12″ combo
This amp was in production from 1967 up to 1972. It used the 1987T tremolo chassis in a 2×12″ combo cabinet.
JMP 1963 Super PA, 50W head
Schematic with 4x ECC83 & 2x EL34 (Marshall, 1970).
JMP 1964 Lead and Bass, 50W Head
This amp was in production from 1973 up to 1976. This is a two channel amp, one channel is that of a 1987 Lead amp and the other channel is that of a 1986 Bass amp, making it quite a versatile amp. The 2100 is the combo version of this 1964 head.
JMP 1968 Super PA, 100W head
This amp was in production from 1967 up to 1975. It had 4 channels and 8 inputs. It was the PA version of the 1959.
JMP 1985 PA, 50W head
This amp had 2 channels and 4 inputs. It was the PA version of the 1987.
JMP 1986 Bass, 50W head
This amp was in production from 1967 up to 1981. This is the Bass version of the 1987 amp. It features a high treble channel and a normal channel.
Schematic with 3x ECC83 & 2x EL34, 70-23-11 (Unicord, 1970).
Schematic with 3x ECC83 & 2x EL34, (Joe Piazza).
Mk2 Amp schematic with 3x ECC83 & 2x 6550, (Joe Piazza).
Photograph of a JMP 1986 from 1970. (Photograph courtesy Joe Pampel of Obsolete Electronics).
JMP 1987 Lead, 50W head
This amp was in production from 1967 up to 1981.
Schematic with 3x ECC83 & 2x EL34, (Joe Piazza).
Schematic with 3x ECC83 & 2x EL34, 70-19-11 (Unicord, 1970).
Mk2 amp schematic with 3x ECC83 & 2x 6550, 70-23-11 (Unicord, 1970).
JMP 1987T Tremolo Lead, 50W head
This amp was in production from 1967 up to 1975.
Schematic with 4x ECC83 & 2x EL34, 70-21-11 (Unicord, 1970).
JMP 1989 Organ, 50W head
This amp was in production from 1967 up to 1975. This is the Organ version of the 1987 amp.
Schematic with 3x ECC83 & 2x EL34, 70-16-11 (Unicord, 1970).
JMP 1992 Super Bass, 100W head
This amp was in production from 1967 up to 1981.
Schematic with 3x ECC83 & 4x EL34, 70-13-11 (Unicord, 1970).
Mk2 amp schematic with 3x ECC83 & 4x 6550, 70-6-11 (Unicord, 1970).
JMP 1992T Tremolo Super Bass, 100W head
This amp was in production from 1968 up to 1972. It was the tremolo version of the 1992.
JMP 2002 Master PA, 50W head
The 2002 and 2003 Master PA amps (introduced in 1966) were the first 19″ rack mount Marshall amps. The 50W models featured 8 inputs & 4 channels instead of the usual 4 inputs & 2 channels. The 100W models were built with 4 inputs & 4 channels. Later this was expanded to 6 inputs and 6 channels.
Schematic with 4x ECC83 & 2x EL34 (Marshall, 1970).
JMP 2003 Master PA, 100W head
The 2002 and 2003 Master PA amps (introduced in 1966) were the first 19″ rack mount Marshall amps. The 50W models featured 8 inputs & 4 channels instead of the usual 4 inputs & 2 channels. The 100W models were built with 4 inputs & 4 channels. Later this was expanded to 6 inputs and 6 channels.
JMP 2041 Tremolo Head, 50W head
This amp was produced using the last tremolo chassis in Artiste head cabinets, so sometimes these a heads are referred to as Artistes which they are not!
JMP 2046 Specialist, 25W 1x 15″ combo
This amp was only shortly in production from 1972 up to 1973. It uses an ECL86 tube as the reverb driver/recovery tube. It was fitted with a 15″ Celestion G15C 16Ω speaker.
Schematic with 2x ECC83, 1x ECL86 & 2x EL34 (Marshall).
Photograph of a JMP 2046. Photograph courtesy of Nils Hörnfalk.
JMP 2060 Mercury, 5W 1×12″ combo
This amp was in production from early 1972 up to late 1973. It had a transistor pre amp and 1x EL84 in the power amp. These amps were available in a black and red covering.
Schematic with 1x EL84 (Marshall).
Photograph of a JMP 2060.
JMP 2100 Lead & Bass, 50W 2×12″ combo
This amp was in production from 1973 up to 1976. It is pretty rare as it was only available through mailorder. This is a two channel amp, one channel is that of an 1987 Lead amp and the other channel is that of an 1986 Bass amp. The 1964 is the head version of this 2100 combo.
Photograph of a red JMP 2100 from 1976.
JMP 2103 Master Volume Lead, 100W 2×12″ combo
This amp was in production from 1976 up to 1981. This is a 2×12″ combo version of the 2203 head.
Photograph of a JMP 2103 (probably from 1977). Photograph courtesy of Nick Henry.
JMP 2104 Master Volume Lead, 50W 2×12″ combo
This amp was in production from 1976 up to 1981. This is a 2×12″ combo version of the 2204 head. Early 2104 amps were fitted with two 12″ Celestion G12-65 T3054 15Ω speakers, later 2104 amps were fitted with two 12″ Celestion G12-65 T3120 15Ω speakers.
Photograph of a JMP 2104 from 1979. Photograph courtesy of Neil Preston.
JMP 2144 Master Volume, 50W 2×12″ combo
This amp was (probably) in production from 1979 up to 1980. It was fitted with a reverb and a 6dB Boost foot switch. These combos were fitted with two 12″ Marshall labeled Celestion speakers. The power amp schematic is the same as of the 2104/2204.
Schematic of the pre amp, 79119 (Marshall, 1979).
Photograph of a JMP 2144 from 1980.
JMP 2150 Master Volume PowerCell 100W 1×12″ combo
This amp was introduced in 1978. It used a 12″ Celestion PowerCell speaker.
Schematic of the pre amp, 78614-2 (Marshall, 1978).
Schematic of the power amp & PSU schematic, 78614-3 (Marshall, 1978).
JMP 2159 Super Lead, 100W 2×12″ combo
This amp was in production from 1977 up to 1981. This is a 2×12″ combo version of the 1959 head.
JMP 2187 Lead, 50W 2×12″ combo
This amp was in production from 1974 up to 1981. This is a 2×12″ combo version of the 1987 head.
JMP 2203 Master Volume Lead, 100W head
This amp was in production from 1975 up to 1981.
Schematic with 3x ECC83 & 4x 6550 (Unicord, 1976).
Photograph of a JMP 2203 from 1980. Note the JCM800 style switches.
JMP 2204 Master Volume Lead, 50W head
This amp was in production from 1975 up to 1981.
Schematic with 3x ECC83 & 2x 6550 (Unicord, 1976).
JMP 2959 Lead, 100W head
This amp was in production from 1978 up to 1980. It was fitted with a reverb and a 6dB Boost foot switch. Only a couple of hundred of these amps were manufactured.
Photograph of a JMP 2959 from 1980. Note the JCM800 style switches. Thanx to Roger Pearce!
JMP 4140 Club and Country, 100W 2×12″ combo
The Club and Country amps were introduced in april 1978 and were discontinued in 1982. These 4140 amps were first fitted with two 8Ω McKenzie 12″ 80W speakers. These McKenzie speakers are easily recognized by their red frames. Later these amps were fitted with two 12″ Celestion G12-80 T2876 15Ω speakers.
Photograph of a JMP 4140 Club & Country from 1980.
JMP 4145 Club and Country, 100W 4×10″ combo
The Club and Country amps were introduced in april 1978 and were discontinued in 1982.
JMP 4150 Club and Country Bass, 100W 4×10″ combo
The Club and Country amps were introduced in april 1978 and were discontinued in 1982. These 4150 amps were fitted with four Marshall labeled Celestion 10″ T3137 speakers.
Schematic of the Pre amp, 79524 (Marshall, 1979).
Schematic of the Power amp & PSU, 78614-3 (Marshall, 1978).
1982, 4×12″ 120W cabinet
From 1970 onwards the 1982 cabinet was fitted with four 12″ Celestion G12H-30 speakers. It was discontinued in 1980 just prior to the introduction of the JCM800 range.


