Marshall JTM60 Schematics
In 1995, Marshall introduced the JTM60 combos. The JTM60 head was introduced in 1996. The JTM60 series was superceded by the JCM600 serie in 1997.
JTM600, 60W head
These 60W heads were introduced in 1996 and used four ECC83 tubes and two EL34 tubes. They offered 2 independent footswitchable channels, each with their own EQ, a spring reverb with dual controls (one for each channel) and a series FX loop and a parallel FX loop.
The JTM C410 4×10″ cabinets match nicely with these heads.
Owners manual for the JTM60.
Schematic of the pre amp PCB, J600-60-02 Issue 1, (Marshall, 1996).
Schematic of the power amp PCB with 3x ECC83 & 2x EL34, J600-61-02 Issue 1, (Marshall, 1996).
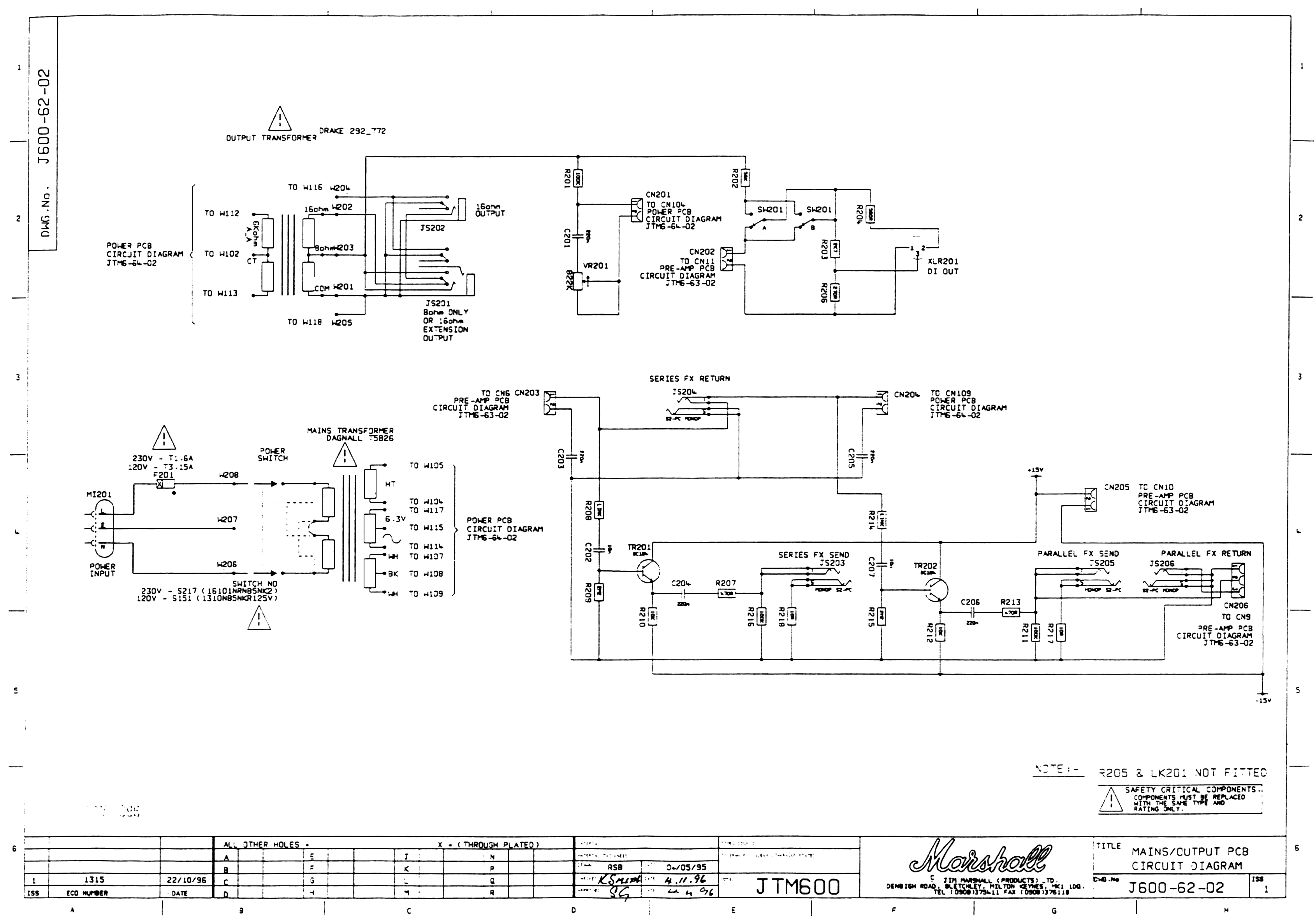
Schematic of ther mains & output PCB, J600-62-02 Issue 1, (Marshall, 1996).
JTM610, 60W 3×10″ combo
These 60W combos used four ECC83 tubes and two EL34 tubes. They offered 2 independent footswitchable channels, each with their own EQ, a spring reverb with dual controls (one for each channel) and a series FX loop and a parallel FX loop.
These combos were fitted with 3 Marshall labelled Eminence Heritage LE10-508 5.3Ω (S610) speakers connected in series making a 16Ω load.
Owners manual for the JTM60.
Schematic of the pre amp PCB, J600-60-02 Issue 1, (Marshall, 1996).
Schematic of the power amp PCB with 3x ECC83 & 2x EL34, J600-61-02 Issue 1, (Marshall, 1996).
Schematic of ther mains & output PCB, J600-62-02 Issue 1, (Marshall, 1996).
JTM612, 60W 1×12″ combo
These 60W combos used four ECC83 tubes and two EL34 tubes. They offered 2 independent footswitchable channels, each with their own EQ, a spring reverb with dual controls (one for each channel) and a series FX loop and a parallel FX loop.
These combos were fitted with a Marshall labelled 12″ Celestion G12 Heritage T4612 16Ω (S403) speaker. The JTM C12 1×12″ extension cabinet matches nicely with this amp.
Owners manual for the JTM60.
Schematic of the pre amp PCB, J600-60-02 Issue 1, (Marshall, 1996).
Schematic of the power amp PCB with 3x ECC83 & 2x EL34, J600-61-02 Issue 1, (Marshall, 1996).
Schematic of ther mains & output PCB, J600-62-02 Issue 1, (Marshall, 1996).
JTM622, 60W 2×12″ combo
These 60W combos used four ECC83 tubes and two EL34 tubes. They offered 2 independent footswitchable channels, each with their own EQ, a spring reverb with dual controls (one for each channel) and a series FX loop and a parallel FX loop.
These combos were fitted with two Marshall labelled 12″ Celestion G12 Heritage T4661 8Ω (S311) speakers connected in series making a 16Ω load. The JTM C212 2×12″ extension cabinet matches nicely with this amp.
Owners manual for the JTM60.
Schematic of the pre amp PCB, J600-60-02 Issue 1, (Marshall, 1996).
Schematic of the power amp PCB with 3x ECC83 & 2x EL34, J600-61-02 Issue 1, (Marshall, 1996).
Schematic of ther mains & output PCB, J600-62-02 Issue 1, (Marshall, 1996).
JTM615, 60W 1×15″ combo
These 60W combos used four ECC83 tubes and two EL34 tubes. They offered 2 independent footswitchable channels, each with their own EQ, a spring reverb with dual controls (one for each channel) and a series FX loop and a parallel FX loop.
These combos were fitted with an Eminence LE15 15″ (probably a 16Ω) speaker.
Owners manual for the JTM60.
Schematic of the pre amp PCB, J600-60-02 Issue 1, (Marshall, 1996).
Schematic of the power amp PCB with 3x ECC83 & 2x EL34, J600-61-02 Issue 1, (Marshall, 1996).
Schematic of ther mains & output PCB, J600-62-02 Issue 1, (Marshall, 1996).
JTM C12, 70W 1×12″ 16Ω extension cabinet
These 1×12″ semi open back extension cabinets were fitted with a Marshall labelled Celestion 12″ G12 Heritage T4612 16Ω (S403) speaker.
This JTM C12 extension cabinet is sometimes confusingly also referred to as a JTM C112 cabinet, but as far as I know a JTM C112 cabinet doesn’t exist.
Owners manual for the JTM60.
JTM C212, 140W 2×12″ 16Ω extension cabinet
These 2×12″ semi open back extension cabinets were fitted with two Marshall labelled Celestion 12″ G12 Heritage T4661 8Ω (S311) speakers.
Owners manual for the JTM60.
JTM C410, 120W 4×10″ 16Ω cabinet
These rare 4×10″ closed back cabinets were fitted with four Marshall labeled Celestion 10″ G10C30 “Gold Back Series” T4703 4Ω speakers.
Owners manual for the JTM60.


